18913062885
富士 普通IGBT模块
富士 普通IGBT模块

产品简介

日本FUJI富士公司生产的普通IGBT模块包括以下四种:1-pack  (一单元);2-pack  (两单元);6-pack  (六单元); Chopper  (斩波器)【详细介绍见产品详情】 

★提示:

日本富士FUJI公司生产的IGBT模块品种繁多,为了使客户选型方便,我们按其性能分为3类: *MBI系列普通IGBT模块     *MBR系列 PIM 功率集成模块    *MBP系列 IPM 智能功率模块

日本FUJI富士公司生产的普通IGBT模块包括以下四种:

    1-pack  (一单元):1-Pack是具有1个元件的产品,适用于大容量的电力转换器。 标准封装分为采用氧化铝的绝缘基板DCB和采用氮化铝的绝缘基板DCB两种。 电力铁路、电力用功率半导体要求具有很高的可靠性,大功率模块能够满足这一需求。 具备较高的耐热循环性和功率循环性,确保跟踪性能CTI>600。

    2-pack  (两单元):2-Pack内置有半桥电路。 产品系列支持UPS、通用变频器、电力铁路、大型太阳能发电等的大范围转换器容量。 基础设施用途要求具有高可靠性,大功率模块和PrimePACK?能够满足这一需求。 标准产品为市场上普遍流通的外形,可兼容其他公司的产品。

    6-pack  (六单元):6-Pack是将3相变频器电路集成到1个模块上的产品,能够紧凑地设计主电路。 模块端子与印刷电路板的连接方面,有钎焊和无焊两种。 EconoPACK+ 将DC输入和AC输出端子分离在两侧,能够紧凑地设计大容量3相变频器电路。

    Chopper  (斩波器)

IGBT模块 1-pack  (一单元)    (点击某一系列,可跳转到相应页面)

外型照片                                         

  2_20190528160516_sq8vw.png2_20190528160526_xnpdk.png     2_20190528160535_z3umh.png

M153                                M151                               M152

内部连接图 

    2_20190528160545_l4iby.png       2_20190528160554_psgl6.png       2_20190528160504_kdzik.png  

1MBI-1              1MBI-2                1MBI-3

电压等级

外型

内部电路图

型号列表

1200V

M153

1MBI-1

1MBI400V-120-50  1MBI400VF-120-50  1MBI600V-120-50  1MBI600VF-120-50  1MBI900V-120-50

M151

1MBI-2

1MBI1200VC-120P  1MBI1600VC-120P  1MBI2400VC-120P

M152

1MBI-3

1MBI2400VD-120P  1MBI3600VD-120P

1700V

M151

1MBI-2

1MBI1200VC-170E   1MBI1200VR-170E 1MBI1600VC-170E  1MBI1600VR-170E   1MBI2400VR-170E  

1MBI2400VC-170E

M152

1MBI-3

1MBI2400VD-170E  1MBI2400VS-170E  1MBI3600VD-170E  1MBI3600VS-170E

3300V

M151

1MBI-2

1MBI800UG-330    1MBI1000UG-330

M152

1MBI-3

1MBI1500UE-330   1MBI1200UE-330

 IGBT模块 2-pack  (两单元)     (点击某一系列,可跳转到相应页面)

外型照片                                         

   2_20190528160517_jzzhd.png    2_20190528160532_virg4.png       2_20190528160542_alrmb.png   2_20190528160557_mbovc.png        2_20190528160507_hl0bm.png       2_20190528160516_55r89.png      2_20190528160532_djlgz.png


         M233                   M249                        M263                      M274                        M275                          M276                    M277


     2_20190528160541_aukg9.png

          M254                                       

       

2_20190528160550_qfrpn.png2_20190528170500_be9oe.png  2_20190528170511_pji7d.png   2_20190528170526_oxl7j.png  2_20190528170534_wd8ck.png

    M282                       M260                    M278                    M271                M272 

内部连接图

2_20190528170542_qabxq.png      2_20190528170550_ykuj6.png    2_20190528170557_uxv5g.png    2_20190528170505_1sa36.png

2MBI-1   2MBI-1-T     2MBI-2              2MBI-2-T


电压等级

外型

内部电路图

型号列表

600V

M263

2MBI-1

2MBI100VA-060-50  2MBI150VA-060-50   2MBI200VA-060-50  

M274

2MBI-1

2MBI300VB-060-50  2MBI400VB-060-50

M275

2MBI-1

2MBI400VD-060-50  2MBI600VD-060-50

M277

2MBI-1

2MBI600VE-060-50

1200V

M263

2MBI-1

2MBI75VA-120-50    2MBI100VA-120-50  2MBI150VA-120-50   

M274

2MBI-1

2MBI150VB-120-50   2MBI200VB-120-50

M275

2MBI-1

2MBI300VD-120-50   2MBI400VD-120-50

M276

2MBI-1

2MBI450VH-120F-50  2MBI200VH-120-50  2MBI300VH-120-50  2MBI450VH-120-50  

M277

2MBI-1

2MBI450VE-120-50    2MBI600VE-120-50   2MBI300VE-120-50

M254

2MBI-1-T

2MBI450VN-120S-50  2MBI450VN-120-50  2MBI300VN-120S-50  2MBI300VN-120-50

2MBI225VN-120-50   2MBI225VN-120S-50  2MBI600VN-120-85  2MBI450VN-120-85

2MBI225VN-120-85   2MBI600VN-120-50

M282

2MBI-1-T

2MBI600VX-120-50    2MBI450VX-120-50   2MBI300VX-120-50   2MBI225VX-120-50

M260

2MBI-1-T

2MBI450VJ-120-85  2MBI600VJ-120-50  2MBI450VJ-120-50  2MBI300VJ-120-50  2MBI225VJ-120-50  

M278

2MBI-2

2MBI1200VG-120P  2MBI600VG-120P    2MBI800VG-120P

M271

2MBI-2-T

2MBI900VXA-120P-54  2MBI900VXA-120P-50  2MBI900VXA-120E-54  2MBI900VXA-120E-50

2MBI600VXA-120E-54  2MBI600VXA-120E-50

M272

2MBI-2-T

2MBI1400VXB-120P-54  2MBI1400VXB-120P-50  2MBI1400VXB-120E-54  2MBI1400VXB-120E-50

M233

2MBI-1

2MBI100HB-120-50   (快速型)

M249

2MBI-1

2MBI200HH-120-50   (快速型)  2MBI150HH-120-50

M276

2MBI-1

2MBI300HJ-120-50    (快速型)  2MBI200HJ-120-50  2MBI150HJ-120-50  2MBI100HJ-120-50

1700V

M263

2MBI-1

2MBI100VA-170-50  2MBI75VA-170-50  

M276

2MBI-1

2MBI300VH-170-50  2MBI150VH-170-50  2MBI200VH-170-50 

M277

2MBI-1

2MBI400VE-170-50   2MBI300VE-170-50

M254

2MBI-1-T

2MBI550VN-170-50  2MBI450VN-170-50  2MBI300VN-170-50

M282

2MBI-1-T

2MBI550VX-170-50   2MBI300VX-170-50  2MBI450VX-170-50  2MBI225VX-170-50

M260

2MBI-1-T

2MBI550VJ-170-50

M278

2MBI-2

2MBI1200VT-170E  2MBI800VT-170E  2MBI1200VG-170E  2MBI800VG-170E  2MBI600VT-170E  

2MBI600VG-170E

M271

2MBI-2-T

2MBI650VXA-170EA-54  2MBI650VXA-170EA-50  2MBI650VXA-170E-54  2MBI650VXA-170E-50

M272

2MBI-2-T

2MBI1000VXB-170EA-54  2MBI1000VXB-170E-54  2MBI1000VXB-170E-50   

2MBI1000VXB-170EA-50 

2MBI1400VXB-170P-54  2MBI1400VXB-170P-50  2MBI1400VXB-170E-54  2MBI1400VXB-170E-50

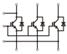
 IGBT模块 6-pack  (六单元)    (点击某一系列,可跳转到相应页面)

外型照片

 2_20190528170548_qahds.png2_20190528170540_fx4qa.png      2_20190528170548_vx0uy.png       2_20190528170558_fjkzj.png         2_20190528170508_ffvku.png       

     M633                       M636                        M647                       M648                          M29


 

内部连接图

2_20190528170517_comoj.png  2_20190528170528_qkmwk.png

    6MBI-CT                    6MBI-OT

电压等级

外型

内部电路图

型号列表

600V

M636

6MBI-CT

6MBI100VA-060-50  6MBI75VA-060-50  6MBI50VA-060-50

M633

6MBI-CT

6MBI150VB-060-50 

M647

6MBI-CT

6MBI100VW-060-50  6MBI50VW-060-50  6MBI75VW-060-50 

M648

6MBI-CT

6MBI150VX-060-50

1200V

M636

6MBI-CT

6MBI50VA-120-50   6MBI100VA-120-50  6MBI75VA-120-50

M633

6MBI-CT

6MBI100VB-120-50  6MBI150VB-120-50  6MBI180VB-120-50  6MBI180VB-120-55

M647

6MBI-CT

6MBI50VW-120-50   6MBI75VW-120-50  6MBI100VW-120-50

M648

6MBI-CT

6MBI100VX-120-50  6MBI150VX-120-50  6MBI180VX-120-50  6MBI180VX-120-55

M629

6MBI-OT

6MBI225V-120-50    6MBI300V-120-50   6MBI450V-120-50    6MBI550V-120-50

1700V

M629

6MBI-OT

6MBI300V-170-50    6MBI450V-170-50