英飞凌桥式整流模块,如EasyBRIDGE或eupec™ EconoBRIDGE™。可供选择的配置中包含配有IGBT和可选NTC电阻的全控和半控整流器。该产品系列覆盖了25 A至180 A电流区间,提供800 V和1600 V电压等级。 eupec™ IsoPACK™系列具有可调节负载端,包含全控、半控和不可控整流模块。三相交流开关使eupec™ IsoPACK™的产品区间更加完整。电流区间为85 A至205 A,电压等级为1600 V。
eupec™EconoBRIDGE™ - 采用的1600V 半桥控制模块 ,采用制动斩波器和 PressFIT 压接技术,实现更紧凑的转换器设计。
特征描述
优势
应用领域
电机控制和驱动
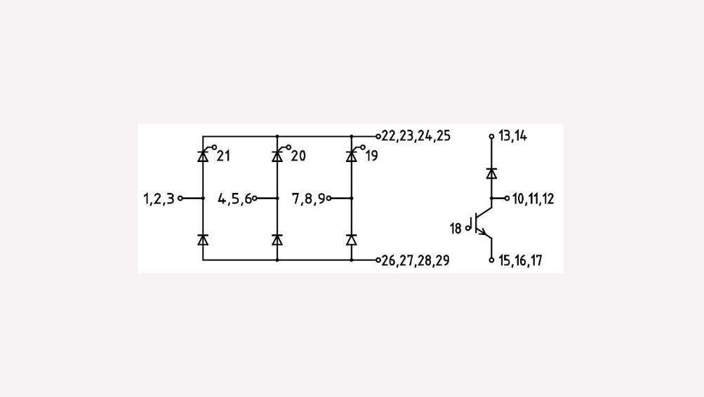
电路图

指标参数
| Parametrics | TDB6HK180N16RR_B11 |
|---|---|
| Configuration | Half Controlled Bridges with Brake Chopper |
| Housing | EconoBRIDGE™ |
| I(FSM) max | 1400 A |
| IRMSM | 180 A |
| Voltage Class max | 1600 V |