英飞凌桥式整流模块,如EasyBRIDGE或eupec™ EconoBRIDGE™。可供选择的配置中包含配有IGBT和可选NTC电阻的全控和半控整流器。该产品系列覆盖了25 A至180 A电流区间,提供800 V和1600 V电压等级。 eupec™ IsoPACK™系列具有可调节负载端,包含全控、半控和不可控整流模块。三相交流开关使eupec™ IsoPACK™的产品区间更加完整。电流区间为85 A至205 A,电压等级为1600 V。
eupec™ IsoPACK™ - 1600V 二极管桥模块,实现更紧凑的转换器设计。还可提供采用不同电流的型号 DDB6U85N16L, DDB6U145N16L DDB6U205N16L DDB6U215N16L
特征描述
潜在应用
电机控制和驱动
工业加热和焊接
风能系统
家用采暖,通风和空调系统
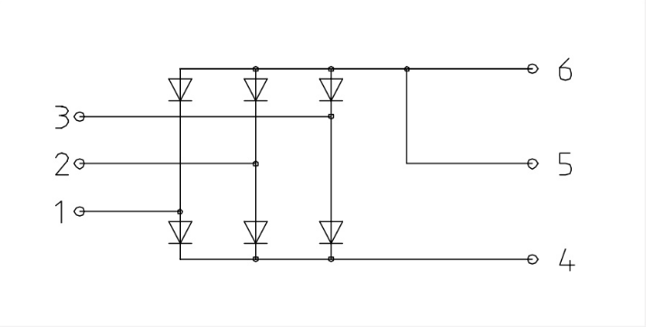
电路图

指标参数
| Parametrics | DDB6U205N16L |
|---|---|
| Configuration | Diode Bridges |
| Housing | IsoPACK™ |
| I(FSM) max | 1375 A |
| IRMSM | 205 A |
| Voltage Class max | 1600 V |